Espace 3 V6 3.0l 24v bi-turbo
- RodolpheV6
- membre

- Messages : 20
- Enregistré le : 17 janv. 2016, 14:14
- voiture : Espace 3 V6 3.0l 24v
- Prénom : Rodolphe
Re: Espace 3 V6 3.0l 24v bi-turbo
Je comptais faire dne sorte de dossier photos pour mon plaisir personnel, mais puisque ça vous intéresse quelques uns, je partagerai avec grand plaisir.
Oui je vais garder les calculos dorigine car celui de la boite est tres bien programmé je trouve et reparametrable pour activer les demi vitesses et celui du moteur est modifiable. De plus, vu que mon utilisation sera quand même routière (me vois pas sur un circuit avec cet engin), je tiens à garder le programme de réduction de couple au passage des vitesses pour soulager (au moins un peu!) la boite et je tiens à conserver les options comme le regulateur de vitesse.
Oui je vais garder les calculos dorigine car celui de la boite est tres bien programmé je trouve et reparametrable pour activer les demi vitesses et celui du moteur est modifiable. De plus, vu que mon utilisation sera quand même routière (me vois pas sur un circuit avec cet engin), je tiens à garder le programme de réduction de couple au passage des vitesses pour soulager (au moins un peu!) la boite et je tiens à conserver les options comme le regulateur de vitesse.
- jacques78
- pilote espoir

- Messages : 467
- Enregistré le : 07 mai 2013, 09:08
- voiture : CLIO V6 Phase 2 "Félicie"
- Prénom : Jacques
- Localisation : HOUDAN
Re: Espace 3 V6 3.0l 24v bi-turbo
Tout est possible mais il y a pas mal de travail en développement. Il faut faire une mise au point complète en ajustant les calibrations pour adapter ce nouveau moteur à la transmission d'origine. Il faut vraiment avoir d'une part de sérieuses connaissances sur le sujet mais aussi avoir les ressources techniques nécessaires ( Reprog UCE et TCU). Personnellement, je ne tenterrai pas de faire cette modif. Il y a trop d'écarts entre la version série et celle que tu vas créer. Je ne te jette pas la pierre car j'avais greffé un moteur de R5 Alpine dans ma 4L (1978). J'avais quand même aussi modifié le freinage AV er AR (Disques, trains, suspension) mais ça c'était pas la même époque.RodolpheV6 a écrit :Merci à tous pour vos messages d'accueil.
Je ne doute pas des compétences de chacun et notamment de Jacques78, je parle juste par expérience d'un Espace 3 2.2dci auto reprogrammé ayant la meme boite que moi et développant 518Nm ! (énorme !) au banc et ceci à 330000kms ! Et ça tient depuis 3 ans. Mais la boite est tres régulièrement vidangée.
Pour la place sous le capot, on se débrouillera, quitte à déplacer d'autres choses. Si ça vous intéresse vraiment, vous aurez droit à toute l'histoire. Mais patience parce que je ne suis pas censé recevoir vilebrequin et bielles forgées avant mi mai.
Aujourd'hui, tu risque gros de rouler avec une auto aussi modifiée. Fais en un show car et roule avec des W constructeur.
- yo95alp
- pilote espoir

- Messages : 211
- Enregistré le : 17 janv. 2008, 13:19
- voiture : Clio v6
- Prénom : Yoann
- Localisation : 95/60
Re: Espace 3 V6 3.0l 24v bi-turbo
Tu prévois de passer la l'éthanol ? Pour obtenir les 600ch.
Comment va tu baisser le rv?
Bon courage
Comment va tu baisser le rv?
Bon courage
- pp2.12
- pilote expert

- Messages : 1071
- Enregistré le : 12 mai 2015, 08:07
- voiture : Clio V6 ph2 - R12 Gordini - 205 GTi
- Prénom : Jean-Yves
Re: Espace 3 V6 3.0l 24v bi-turbo
Bienvenue
Je partage assez l'avis de Jacque 78, même si je trouve ton projet intéressant.
Une telle puissance sur une auto de série mérite tous les renforts annexes: freins, suspensions, trains...
Sans compter ton assurance en cas de problème...
Je partage assez l'avis de Jacque 78, même si je trouve ton projet intéressant.
Une telle puissance sur une auto de série mérite tous les renforts annexes: freins, suspensions, trains...
Sans compter ton assurance en cas de problème...
- Wolfgang31
- pilote expert

- Messages : 1233
- Enregistré le : 02 mai 2014, 15:05
- voiture : Clio v6 phase 1 n°212
- Prénom : Alain
- Localisation : Banlieue Toulousaine
Re: Espace 3 V6 3.0l 24v bi-turbo
600cv.... c'est pas un v6 de GTR... de plus, niveau v6 Français en série je connais la venturi 400gt avec le v6 3.0l Français qui fait 400cv avec un biturbo mais avec le v6 prv et non le L7X. Après je pense que sans doute que le L7X est une grosse évo du PRV pour répondre aux normes anti pollution etc etc... mais je peux me tromper. Ensuite 600cv sur une traction là encore.... Il faut changer les turbos, les intercoolers, forger etc et investissement de dingue pour une voiture au final interdite sur route ouverte... Pour faire un show car c'est bien.
Je suis curieux de la suite du projet.
Je suis curieux de la suite du projet.
- RodolpheV6
- membre

- Messages : 20
- Enregistré le : 17 janv. 2016, 14:14
- voiture : Espace 3 V6 3.0l 24v
- Prénom : Rodolphe
Re: Espace 3 V6 3.0l 24v bi-turbo
Wow ! Je ne pensais pas que ce sujet allait soulever autant de réactions! ... ou en tout cas, je m'attendais à plus de moqueries ou de négatif ... ça fait plaisir
Bon pour rassurer les plus prudents, je n'ai pas l'intention de rouler comme un barge sur la route avec ce véhicule, c'est plus un plaisir personnel et l'acomplissement d'un vieux rêve. Je suis motoriste de formation mais je n'ai jamais exercé en tant que professionnel, juste des préparations ponctuelles pour des jeunes friqués fans de tuning.
Aujourd'hui, par choix de vie, je suis un simple technicien dans un petit garage. J'y suis très bien, je bosse avec l'un de mes meilleurs potes, et c'est aussi mon patron. Mais je ne m'y creuse pas assez les méninges à mon goût. J'aime la recherche et le développement.
Ce sera effectivement un show car, mais je roulerai aussi un peu avec ... quand même ...
Pour les détails techniques, je ne possède pas les "valises" permettant de reprogrammer mais un pote motoriste les possèdes et il a aussi le banc de puissance. On fera les mises au point finales ensemble.
Moi, j'ai tout le reste, le véhicule de base, les pieces et les bonnes adresses pour les trouver et le budget très serré qui va bien pour bien se creuser la tête pour tout faire au moins cher possible.
Yo95alp, Pour abaisser le r/v, j'ai des pistons forgés sur mesure. Ils sont creux. Je prevois que ce soit flexfuel mais pas nécessairement à l'Ethanol pour atteindre la puissance max.
Wolfgang31, je ne suis pas expert des venturi, mais je suis presque certain que la Venturi 300 Atlantique est équipée du L7X en bi-turbo basse pression pour faire ces 300 cv. La 400 GT, je ne m'y suis pas intéressé, je ne peux pas en parler.
Les trains roulants sont prévus d'être modifiés, j'ai déjà les ressorts courts et amortisseurs durs, je n'ai pas encore la solution pour le freinage mais ça viendra en son temps, et je me tâte pour monter les trains sur rotules ou pas, je pense que j'en déciderai en fonction des essais.
Bon pour rassurer les plus prudents, je n'ai pas l'intention de rouler comme un barge sur la route avec ce véhicule, c'est plus un plaisir personnel et l'acomplissement d'un vieux rêve. Je suis motoriste de formation mais je n'ai jamais exercé en tant que professionnel, juste des préparations ponctuelles pour des jeunes friqués fans de tuning.
Aujourd'hui, par choix de vie, je suis un simple technicien dans un petit garage. J'y suis très bien, je bosse avec l'un de mes meilleurs potes, et c'est aussi mon patron. Mais je ne m'y creuse pas assez les méninges à mon goût. J'aime la recherche et le développement.
Ce sera effectivement un show car, mais je roulerai aussi un peu avec ... quand même ...
Pour les détails techniques, je ne possède pas les "valises" permettant de reprogrammer mais un pote motoriste les possèdes et il a aussi le banc de puissance. On fera les mises au point finales ensemble.
Moi, j'ai tout le reste, le véhicule de base, les pieces et les bonnes adresses pour les trouver et le budget très serré qui va bien pour bien se creuser la tête pour tout faire au moins cher possible.
Yo95alp, Pour abaisser le r/v, j'ai des pistons forgés sur mesure. Ils sont creux. Je prevois que ce soit flexfuel mais pas nécessairement à l'Ethanol pour atteindre la puissance max.
Wolfgang31, je ne suis pas expert des venturi, mais je suis presque certain que la Venturi 300 Atlantique est équipée du L7X en bi-turbo basse pression pour faire ces 300 cv. La 400 GT, je ne m'y suis pas intéressé, je ne peux pas en parler.
Les trains roulants sont prévus d'être modifiés, j'ai déjà les ressorts courts et amortisseurs durs, je n'ai pas encore la solution pour le freinage mais ça viendra en son temps, et je me tâte pour monter les trains sur rotules ou pas, je pense que j'en déciderai en fonction des essais.
- dzuru
- membre

- Messages : 90
- Enregistré le : 08 mars 2007, 01:03
- voiture : Mini Cooper S Checkmate
- Prénom : Matthieu
- Localisation : Rouen
Re: Espace 3 V6 3.0l 24v bi-turbo
Et bien bon courage, çà va être un boulot de dingue.
Mais l'Espace F1 avait plus de 800ch alors pourquoi pas.
Ceci dit c'était une propulsion.
Hâte de voir ton projet
Mais l'Espace F1 avait plus de 800ch alors pourquoi pas.
Ceci dit c'était une propulsion.
Hâte de voir ton projet
- Wolfgang31
- pilote expert

- Messages : 1233
- Enregistré le : 02 mai 2014, 15:05
- voiture : Clio v6 phase 1 n°212
- Prénom : Alain
- Localisation : Banlieue Toulousaine
Re: Espace 3 V6 3.0l 24v bi-turbo
dzuru a écrit :Et bien bon courage, çà va être un boulot de dingue.
Mais l'Espace F1 avait plus de 800ch alors pourquoi pas.
Ceci dit c'était une propulsion.
Hâte de voir ton projet
Euh l'espace F1 avait un v10 de formule 1 avec boite auto en position centrale. la on parle de conserver le moteur dans son logement d'origine.
https://fr.wikipedia.org/wiki/Renault_E ... e_F1_1.jpg
Et vu la puissance désiré, c'est pas des petits escargot qu'il faudra y mettre.
Mais très curieux, après je dis ca pk pas faire une réplica espace F1. Du moins le look je parle. car pour le v10 F1 d'une williams dur dur de le trouver....
- RodolpheV6
- membre

- Messages : 20
- Enregistré le : 17 janv. 2016, 14:14
- voiture : Espace 3 V6 3.0l 24v
- Prénom : Rodolphe
Re: Espace 3 V6 3.0l 24v bi-turbo
Les turbos sont déjà en ma possession, il s'agit de 2 GT2259 qui correspondent à mes besoins par calcul. Ils travailleront sur leur plage de meilleur rendement pour fournir 500cv à 1bar et pres de leur limite maxi à 1,5bar pour fournir ponctuellement les 600cv. (Boost)
C'est vrai que faire ça avec une traction av c'est pas le top, en propulsion, ça aurait été génial. Mais je ne connais qu'un monospace en propulsion et c'est pas un Renault et il est tellement bourré d'électronique à laquelle on a dificillement accès que je ne sais pas si ça aurait été réalisable. Il s'agit du Mercedes Vito ou Viano. Et puis ... suis fan de Renault !
- PHILOU37
- pilote de trophy

- Messages : 4140
- Enregistré le : 16 nov. 2007, 19:27
- Prénom : philou
- Localisation : dans les vignes
Re: Espace 3 V6 3.0l 24v bi-turbo
bonsoir,
juste une réserve quand aux modifs, tant que tu penses tout çà possible techniquement vas y mais je vois pas l’intérêt financièrement parlant et la partie qui me gêne le plus c'est les caractéristiques pour ton assureur et de plus sur un véhicule familiale au moindre accro ton assureur retournera sa veste.
pas assez pointu sur la conception interne des boites, mais une chose est sur c'est que l'interieur de la boite va morfler très vite ainsi que les transmissions et les roulements etc................ qui vont faire trois tours dans leur "slip" en se demandant ce qui leur arrivent
maintenant fait nous vivre ce projet si ce n'est pas un "fake" ( hallusion à la HD de GAËTAN
)
BON COURAGE pour ton délire
juste une réserve quand aux modifs, tant que tu penses tout çà possible techniquement vas y mais je vois pas l’intérêt financièrement parlant et la partie qui me gêne le plus c'est les caractéristiques pour ton assureur et de plus sur un véhicule familiale au moindre accro ton assureur retournera sa veste.
pas assez pointu sur la conception interne des boites, mais une chose est sur c'est que l'interieur de la boite va morfler très vite ainsi que les transmissions et les roulements etc................ qui vont faire trois tours dans leur "slip" en se demandant ce qui leur arrivent
maintenant fait nous vivre ce projet si ce n'est pas un "fake" ( hallusion à la HD de GAËTAN
BON COURAGE pour ton délire
avec l'âge, c'est la taille des jouets qui evoluent
- RodolpheV6
- membre

- Messages : 20
- Enregistré le : 17 janv. 2016, 14:14
- voiture : Espace 3 V6 3.0l 24v
- Prénom : Rodolphe
Re: Espace 3 V6 3.0l 24v bi-turbo
Il n'y a aucun intérêt financier, juste un plaisir personnel et une passion à assouvir. Je sais tres bien ce qu'un assureur fera en cas de sinistre avec dégâts corporels, ou même sans ... faut pas avoir d'accident ! C'est pas le but de toutes façons ... !
Pour la boite est les cardants, comme dit précédemment, j'ai l'espoir que ça tienne à cause d'une première expérience réussie. Si ça pète, je prendrai les mesures qui simposent.
Ce n'est pas un canular, ce soir, après le boulot, je ferai un etalages d'échantillons des quelques pièces que j'ai déjà reçu et je posterai les photos.
Voili voilou, à ce soir !
Pour la boite est les cardants, comme dit précédemment, j'ai l'espoir que ça tienne à cause d'une première expérience réussie. Si ça pète, je prendrai les mesures qui simposent.
Ce n'est pas un canular, ce soir, après le boulot, je ferai un etalages d'échantillons des quelques pièces que j'ai déjà reçu et je posterai les photos.
Voili voilou, à ce soir !
- RodolpheV6
- membre

- Messages : 20
- Enregistré le : 17 janv. 2016, 14:14
- voiture : Espace 3 V6 3.0l 24v
- Prénom : Rodolphe
- RodolpheV6
- membre

- Messages : 20
- Enregistré le : 17 janv. 2016, 14:14
- voiture : Espace 3 V6 3.0l 24v
- Prénom : Rodolphe
- RodolpheV6
- membre

- Messages : 20
- Enregistré le : 17 janv. 2016, 14:14
- voiture : Espace 3 V6 3.0l 24v
- Prénom : Rodolphe
Re: Espace 3 V6 3.0l 24v bi-turbo
Bonjour bonjour !
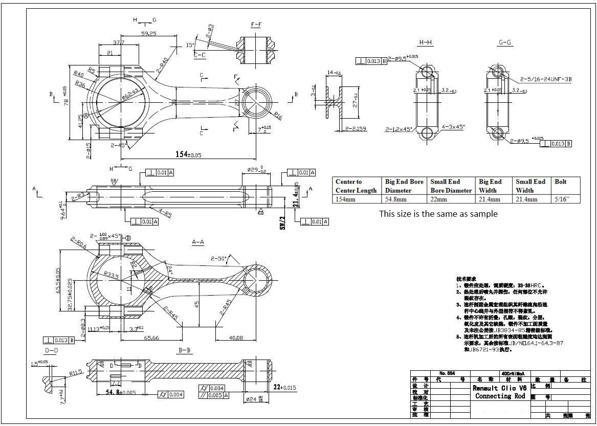
Pour ceux que ça intéresse, voici les plans des pièces actuellement en production. Ils m'ont été fournis par l'usine pour validation avant usinage.
Pour ceux que ça intéresse, voici les plans des pièces actuellement en production. Ils m'ont été fournis par l'usine pour validation avant usinage.
- Fichiers joints
-
- The whole Drawing for Renault Clio V6 Crankshaft.pdf
- Le vilebrequin usiné dans la masse
- (121.89 Kio) Téléchargé 350 fois
- maddoc
- Webmaster

- Messages : 7855
- Enregistré le : 04 févr. 2006, 21:05
- voiture : Megane RS dCi
- Prénom : Stéphane
- Localisation : Le Neubourg (27)
Re: Espace 3 V6 3.0l 24v bi-turbo
Ça va te coûter un bras, ça !!!
L'usinage d'un vilebrequin taillé masse est extrêmement cher !!!
(je sais de quoi je parle
)
Pour ceux qui n'ont jamais vu :
L'usinage d'un vilebrequin taillé masse est extrêmement cher !!!
Pour ceux qui n'ont jamais vu :
Les photos sont faites pour être partagées

